Domofony wracają do łask. Coraz więcej tych urządzeń montujemy w prywatnych posesjach szczególnie na prowincji. Mijają już czasy niegrodzonych domów z zaniedbanym obejściem. Polska wieś zaczyna coraz mniej ustępować domom wybudowanym w miastach zyskując na estetyce już i tak przepięknych okolicznych widoków. Domofon wybrany przez klienta to domofon analogowy z łącznością interkomową pomiędzy trzema rodzinami zamieszkującymi jeden budynek. Ogrodzenie domu zostało wykonane z przęseł a słupki z cegły klinkierowej. Montaż panela zewnętrznego domofonu wykonany na słupku natynkowo z wykorzystaniem daszka ochronnego. Klient miał poprowadzoną instalacje przewodem 10 żyłowym co pozwoliło na montaż domofonu w Zawierciu z zamierzonymi wcześniej planami. Niestety nie pozostał żaden zapas przewodów co w przypadku awarii któregoś z używanych będzie problem z naprawą domofonu. Należy liczyć ze przewód położony pod kostką brukową został dostatecznie zabezpieczony. Użyty w tej instalacji i układany przez monterów bramy niestety nie był ziemnym przewodem żelowanym. Jest to typowy błąd inwestora, braku zainteresowania i wykorzystane materiały w budowanie tak ważnych instalacji. Późniejsza wymiana kabla wiąże się z dużymi i kosztownymi pracami demontażu i i ponownego ułożenia kostki brukowej.
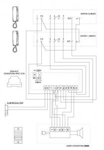
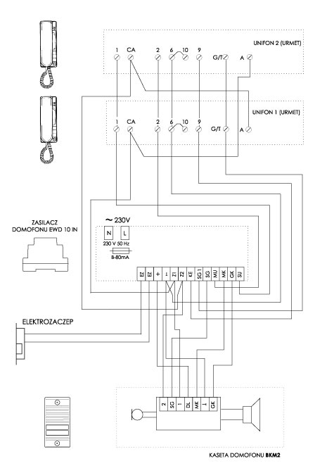
Jako panel zewnętrzny domofonu wykorzystano bramofon firmy Mifon z przyciskami dwurzędowymi. 3 przyciski wykorzystane zostały na sygnał przywołania poszczególnych unifonów, czwarty rezerwowy pozostał bez obsady.
Zamontowane unifony firmy Wekta TK6 posiadają dwa przyciski z których jeden służy jako przycisk otwierania elektrozaczepu przy furtce a drugi jako dzwonek interkomu. Interkom jest wygodnym dodatkiem w instalacji domofonowej zapewniający wewnętrzną komunikację pomiędzy unifonami. Elektronika firmy ELTCRAC EWD10IN użyta w tej instalacji bardzo dobrze współpracuje z poszczególnymi jej podzespołami. W przypadku naciśnięcia przycisku wywołania rozmowy interkomowej zasilacz domofonu automatycznie odcina panel zewnętrzny zapewniajac anonimowość treści rozmowy pomiędzy unifonami.
Serwis domofonów budowanych na tych nowoczesnych elektronikach ogranicza się jedynie do okresowych przeglądów i drobnych regulacji, dlatego tez chętnie używamy je w budowanych instalacjach.
Uruchomienie instalacji przebiegło bezproblemowo, należało jedynie wyregulować poziom głośności dzwonków w unifonach oraz sprawdzić poprawność działania całego systemu i elektrozaczepu.

